energy analysis
Exterior Area – Parking Area analysis
Analysis for exterior areas is done with accurate site layouts, usually CAD detailed, and evaluated using Advanced Graphics Interface software to determine energy efficiencies and comply with lighting standards and practices. Areas are accurately sized and represented in three dimensions. Analysis is graphically depicted for implementation of new design or retrofitted improvements. Recommendations are presented to clients for current efficiencies and future design considerations.
Thumbnail one
Example one is a typical parking layout with point by point calculations for light levels inside the parking areas. In this example the areas are segregated by the owner’s request and analyzed independently. The red lines show lighting patterns produced by the existing fixtures and demonstrate wasted light that is cast off the site.
Thumbnail two
This example - a portion of a parking lot - is shown with a skewered view. It demonstrates light patterns created by the pole mounted lighting fixtures that control the light, as seen by the blue lines on the ground. Light is restricted to the site without light trespass or wasted illumination and energy. The numbers on the ground are foot candle readings of light produced in the parking and driving areas. This information is assembled as data analysis for the project.
Exterior - Roadway analysis
Roadways are designed and analyzed with actual roadway conditions and plans. Using three dimensional representations of lighting fixtures and poles, energy efficiencies and lighting conditions are predetermined for new roadway lighting and construction projects.
Thumbnail one
Roadway pole lights are placed in accordance with roadway plans with specific pole mounting heights and spacing. Conditions are computerized to represent the actual conditions in the field before analysis.
Thumbnail two
Lighting analysis for roadways may be determined for intersections and driving lanes. Patterns of light produced by pole lights are definable for design considerations and light produced by the fixtures can be measured anywhere in the project area.
Interior Space Analysis
Interior spaces from offices to large warehouses are first defined as three dimensional spaces with specific reflectance’s for walls, ceilings and floors. All open interior spaces are represented as rooms. Big Box Stores similar to warehouses are large rooms even if they have large interior objects like racking systems and can be analyzed in their entirety or on any surface. Lighting fixtures are placed with mounting heights, spacing and locations defined by structures or existing parameters. Analysis of lighting quality and quantity is determined via dedicated computer software. Information may be extracted for clients on comparative lighting systems and lamps for both lighting productivity and energy efficiencies.
Thumbnail one
The building interior is developed in three dimensions with wall, floor and ceiling reflectance’s that represent actual conditions. Illumination is then calculated on horizontal or vertical surfaces as the project requires. Different types and wattages of fixtures and lamps may be compared and analyzed for light production, quality and energy efficiencies.
Thumbnail two
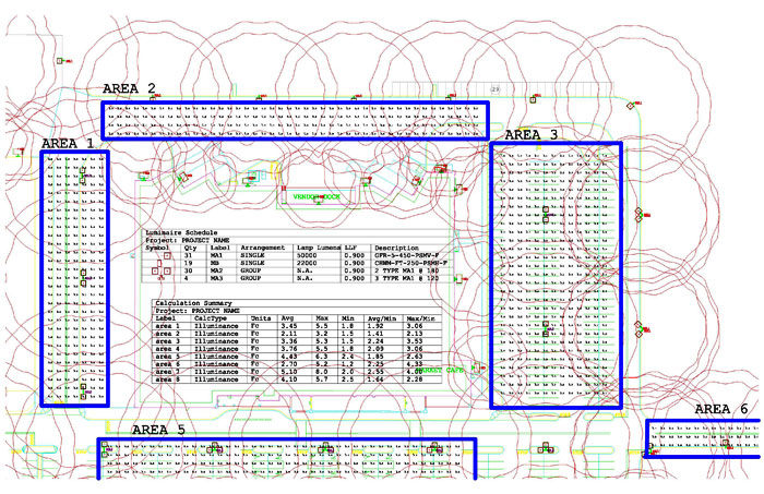
This example represents a typical plan view of a building layout – only a portion of the building being shown for this example - with point by point calculations of illumination levels and statistical information gathered from the entire building interior.
Successfully Lighting a Seattle Shopping Center: A Case Study
By Robert Billingsley
Opening a new shopping center in the current retail market is a sizeable challenge, if not a real gamble. Filling the spaces with the proper tenants and providing a successful environment for both the tenant and owner require marketing approaches that were not considered one or two years ago – including expert lighting design.
The owner of a new center opening in Seattle had secured everything needed to make his center a success – i.e. location, planning, construction, financing, and the right anchor tenants. However, the center was due to open and there were still tenants to be found and spaces to be leased. One aspect deemed to be of critical importance in leasing these vacancies was upgrading the visual elements of the center itself. Lighting the center became a primary task.
Scope of Project Services
Designing With Light - Scope of Project Service can be viewed by clicking on the download link below.